Articole > Echipamente si constructii radio Litere mici Litere medii Litere mari     Comentati acest articol    Tipariti

Considerații practice în abordarea benzilor radio SHF

Partea I

Viorel Țepeluș YO4RHY

Motto: “Este peren ce poți face prin tine însuți”

Mi s-a sugerat să scriu acest articol, în urma experienței acumulate în ultimii cinci ani, experimentând în benzile “mai sus de 1GHz”. Menționez de la bun început că nu sunt un contestman “împătimit”. Am participat doar în ideea de atesta real performanțele echipamentelor. Toate proiectele au fost și sunt concepute ca să fie reproductibile. Cu această abordare era de așteptat să se inițieze o anume emulație în rândul radioamatorilor care lucraseră cel puțin în banda de 23cm. Am experimentat astfel în benzile de 23, 13, 6, 3 și 1,2cm.

Mulțumesc pe aceasta cale lui YO4HFU, Robert Pastorcici, pentru lunga colaborare, în realizarea acestor proiecte din care a rezultat o experiență extrem de valoroasă. Dealtfel, site-ul lui stă dovada acestei experiențe. Deasemeni clubului CSM Pitești, personal lui YO7AQF Augustin Preoteasa, pentru multiplicarea seturilor pentru benzile de 6 și 1,25 cm.

Sunt două modalități pentru abordarea experimentelor și traficului în SHF, fie terestru, fie EME. În cazul traficului terestru trebuie disponibilitate (financiară, timp, resurse) și o bună cunoaștere a reliefului, a zonei de experimentat și un studiu prealabil a propagării. Similar și în cazul traficului EME, disponibilitatea unui spațiu pentru pilon și a echipamentului necesar controlării antenei cu precizie în coordonate. Ce voi spune în continuare, este din experiența și perspectiva constructorului care testează și compară performanțele echipamentelor în traficul radio. Este esența radioamatorismului!

Ce trebuie stiut!
În primul rând sunt necesare cunoștințe temeinice despre electronică, măsurători radio, folosirea analizorului de spectru, tracking generator, zgomot, lucrul cu dB, abilități în proiectarea PCB–urilor și abilități în proiectarea PCB RF, cunoașterea componentelor și mai ales interpretarea datasheet-ului, noțiuni despre linii de transmisie, stripline, filtre și dimensionarea lor, transformatoare de impedanță, adaptoare de impedanță, antene SHF, cuploare, punți de măsură, wattmetre SHF, ghiduri de undă, antene parabolice și nu în ultimul rând cel puțin un limbaj de programare! (toate PLL-urile folosite sunt controlate cu microcontrolere, la fel și gestionarea comutării RX/TX și a limitărilor de control. PLL și varietatea lor tehnologică necesită o abordare separată.

PCB: S-au editat în Sprint-Layout 6.0 https://www.electronic-software-shop.com/index.php?language=en . Are o rezoluție foarte bună (0,01mm). Acesta poate edita deasemenea fișierele “gerber”, care pot fi simulate la https://www.pcbway.com/ și comandate. Substrat FR4 de 0.8mm.

Scheme: Același site pune la dispoziție un program de editare practic și intuitiv: sPlan 8.0. Licențele de utilizare sunt modice.

Urmează să comentez fiecare proiect, la care voi adauga poze din timpul construcției și a testelor.

Banda de 13 cm

Transverter proiect YO4HFU


Imaginea marita


Imaginea marita

PLL-ul este cu ADF4106, care au fost disponibile pe ebay la SP2JYR sp2jyr@wp.pl. ca părți casate din echipamente profesionale, dual PLL de 1100-1500MHz și 1690-2310Mhz

foto 14

Ambele foarte utile: Primul poate fi LO pentru conversie 23cm în banda de 2m (1152 MHz + 144 MHz = 1296 MHz) și cel de 1690 Mhz-2310 MHz fie conversie 13cm în 2m (sau 70cm), fie PLL local pentru multiplicare în benzile superioare (6, 3 sau 1,2cm).

PLL-urile sunt controlate SPI și au ca referință un OCXO de 10-13 MHz Blilay sau CTI.

Info suplimentare la https://www.minicircuits.com. Deasemeni utilitarul cu care se pot calcula regiștrii.

Pe site lui YO4HFU sunt disponibile fișierele HEX ale PLL-urilor cât și fișerul HEX al comutării RX/TX și a protecțiilor.

Se poate folosi orice LO cu condiția să fie nivelul cerut de mixer.

Filtrele CER0347B sunt ceramice de la https://www.micro-semiconductor.com.

Transverterul are display LCD pentru afișarea subbenzilor comutabile din push button, a nivelului OUT, tensiunii de alimentare. Are două ieșiri open collector pentru releu antenă sau auxiliar și disponibile secțiunile de tensiune RX/TX.

Comutarea se face pe RF-VOX și are DELAY reglabil. În foto 6 inductanța de 1nH este o sârma de conexiune a cărei lungime se stabilește pentru minim de zgomot la RX.

Power out de 2,5W (34dbm) debitată de QPA9424 (cu radiator!!) este suficientă pentru excitarea unui SSPA de 200-300W.

Pentru portabil am experimentat cu succes un SSPA 30W cu MRF21050L. Deși poate urca la 40W out alimentat la 36V, dintr-o sursă step-up de 12-30V nu recomand, tranzistorul este împins la limita de sus. SSPA 30W la 28V MRF21050L versiunea YO4RHY.

Transverterul încă nu este probat în trafic; am făcut teste extensive de laborator. Substratul este ALRON 4500 și este apropiat de cunoscutul FR4. S-au comandat la CSM–Pitești câteva PCB-uri, prin grija lui YO7AQF.

Foto 13

Observați că PCB are prevăzute secțiuni de trimerare pentru adaptare pe maxim de putere la ieșire.

Banda de 6 cm, Revizia I

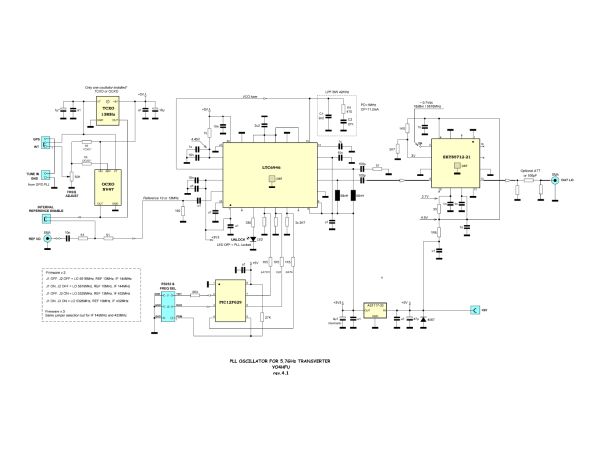
Pentru banda de 6 cm s-au făcut trei revizii. Prima, cea de 0,2W a fost un success. Inspirat[ dupa R3GC, caruia YO4HFU i-a adus câteva modificări privind PLL LO (și nivelul de ieșire completând lanțul cu înca un cip SKY 85712-21, activat doar pe traiectul TX pentru a asigura nivelul cerut de mixer. La fel, nivelul out a fost crescut la intrare mixer la 13 dBm. PLL–LO are prevăzută și o intrare pentru a putea fi pilotat de GPSDO. Documentația completă, firmware și fișierele gerber sunt la: https://www.qsl.net/yo4hfu/Transverter_5.7GHz.html


Imaginea marita


Imaginea marita

Mai jos se poate vedea rezonatorul cu capac de cupru 3/4 inch. La prima variantă am fost surprinși să constatăm că funcționa normal pe cablaj din material FR4 de 0,8mm, dacă circuitele au fost scurte.

Prima variantă folosește LCT6946 Integer-N Synthesizer with Integrated VCO. (foto mai sus)

O descriere amănunțită a funcționării PLL este descrisă aici.

Partea de transverter foloseste trei cip-uri SKY 85712-21,5GHz WLAN Front-End Module, care au două traiecte interne comutabile, RX/TX comune spre partea de antenă (front end). Filtrul folosit este un capac de cupru pentru țevi de 3/4 inch. Mixerul (este același pentru toate trei reviziile) HMC219 are un nivel de 13dBm și izolație bună interport. Comutarea RX/TX este simplă cu un comparator LM393, iar splitarea RX/TX IF (144 sau 432 MHz) este cu diode PIN. Pinul 5 al capsulei (QFN4x4) SKY 85712-21 front-end, este monitorizarea nivelului de ieșire și activează un bargraf simplu cu 4LED într-un uC ATTINY 85, foarte util la acordul filtrului pe 5760 MHz. În video YO8RHM:

https://www.youtube.com/watch?v=x7zDR0IYayk&t=1s

S-au comandat 20 de seturi (YO4HFU, YO4RHY, YO4FYQ, YO3CYR, YO3FWL, YO3GJ, YO3DAX, YO5ER, YO5PLP, YO8RHM, YO8SAL, YO8ALA, YO8ROO). Primele teste s-au făcut cu antene SVENSKA de 27 dBi. În varianta de 200 mW QSO-urile YO3CYR 190 Km, YO3FWL 194 Km ambele cu YO4HFU.

https://www.youtube.com/shorts/Uj4-I4Wiwbc

https://www.youtube.com/watch?v=kpXGAS97_SE&t=1s

Banda de 6 cm, Revizia II

Transverterul de 200mW, a fost fară îndoială un succes. Are însă, două dezavantaje. Arhitectura front-end, nu permite decât prin comutări suplimentare, creșterea puterii în partea de TX. Al doilea este că SKY 85712-21 se încalzește puternic și duce la scăderea câstigului. Sau adăugat aripioare de Cu pentru răcire suplimentară. Am refăcut arhitectura front-end, prin separarea căilor RX-TX (split). YO4HFU a înlocuit partea de TX cu RFPA5542, Gain 33db, debitând 2W RF. Pe partea de RX am înlocuit SKY cu QPL9504 (Ultra Low Noise, Flat Gain LNA) Gain 21db NF 0,8db.


Imaginea marita

Am înlocuit filtrul capac metalic de instalații cu filtre ceramice DBP5787OA50.

Partea de control a comutării RX/TX, rămâne aceiași ca la varianta de 200mW. PLL este identic cu versiunea de 200mW, la care s-a montat un radiator din Cu pentru SKY85712-21.


Imaginea marita

O captură de ecran a spectrului la TX pe analizor, excitat cu max 1W în 432Mhz.

SSPA-4W

Inspirat după F6BVA. FLM5964-4F este un tranzistor FET (C-Band Internally Matched FET) cu Gain de 10dB la 36,5dBm la P1dB (punctul de compresie ). https://www.alldatasheet.com/datasheet-pdf/pdf/130964/ETC1/FLM5964-4F.html

“Internally Matched” ne spune că este adaptat intern și că impedanța de intrare/ieșire este de 50 ohmi în banda de 5,9-6.4Ghz. Pentru adaptarea puțin mai jos se folosesc “stub” poziționate pentru un maxim de putere de ieșire.


Imaginea marita

La cel din foto, au fost măsurați 35,9dBm adică 3,9W. Substratul este ALRON 4500 de 0,8mm foarte apropiat de FR4 ca și permitivitate. Liniile IN/OUT sunt de 50 ohmi și pot fi simulate cu APCAD.

Banda de 6 cm, Revizia III

A treia variantă a fost o evoluție către optimizarea performanțelor. RFFM4527 (Low Noise Amplifier 4900 MHz to 5925 MHz) cu un consum mai mic (15mA) pentru 16dB gain. Vine și înlocuiește SKY85712-21. Gain total 53db pe traiectul RX cu pierderile de inserție ale filtrelor DBP5787OA50. Front-end același QPL9504 (Ultra Low Noise, Flat Gain LNA) Gain 21dB NF 0,8dB. TX, are un același RFFM4527 urmat de RFPA5542 ca la versiunea split.


Imaginea marita

Transverterul păstrează aceleași facilităti ca versiunea split, dar au fost optimizate performanțele LO.

LO este dual PLL, cu MAX2871 (23.5MHz to 6000MHz Fractional/Integer-N Synthesizer/VCO) și ADF4001 (200 MHz Clock Generator PLL) pentru VCO (CVHD-950-125Mhz ), referința MAX2871.


Imaginea marita

Atât MAX2871 cât și ADF4001 sunt gestionate SPI de ATTINY84. J1 seteaza FI 144MHz sau 432MHz după caz. J2 urcă frecvența transverterului mai sus cu 1MHz. J3 întreg PLL-ul pe frecvența de 144=5760MHz (util la teste recepție ca baliza). Referința rămâne de 10Mhz cu CTI-VCXO și care s-a stabilit că asigură suficientă stabilitate și permite o operare comodă în regim de “portabil”.

Firmware pentru ATTINY84PLL și ATTINY85 “power meter” se găsesc în secțiunea “download” în partea de jos în pagina https://www.qsl.net/yo4hfu/Transverter_5.7GHz_Portable.html pe siteul YO4HFU. La fel fișierele “gerber” ale PCB pentru transverter.

Pentru că la prima variantă “split “am folosit stabilizatoare liniare (cu pierderi însemnate prin dispație termică, la varianta aceasta Robert a conceput o sursă în comutație (după datasheet) și PCB cu LM2596 step-down.


Imaginea marita

Se observă mai jos, pe PCB, poziția capacităților de 0,2 și 0,5 pF pentru cel mai mic zgomot (noise figure).

Va continua!

Viorel Țepeluș YO4RHY

Articol aparut la 5-1-2025

3094

Inapoi la inceputul articolului

Comentarii (5)  

  • Postat de Airoaei Dan - YO8ROO (yo8roo) la 2025-01-08 19:35:32 (ora Romaniei)
  • Un articol deosebit de util pentru cei care vor sa realizeze legaturi radio peste 1296mhz.Multumim!
    Aceste poze ascund multa munca in spatele lor,aparatura de laborator scumpa,cunostinte multiple si daruire,felicitari pentru realizarea in mai multe exemplare si pt.mai multe benzi.YO8ROO DAN noul an sa va aduca sanatate si dorinta de a aborda benzile urmatoare de mai sus.73

  • Postat de Bela Bartha - YO5TP (yo5tp) la 2025-01-11 08:39:23 (ora Romaniei)
  • Felicitarii Viorel pentru initiativa si realizarii.
    Sper ca cat mai multi sa abordeze lumea fascinanta a microundelor.Articolul este foarte bine venit in acest sens.
    Incerc sa fiu cat mai prezent pentru realizarea de QSO-uri la distante cat mai mari in benzile alocate SHF.SETUPUL meu :IC-9700,IC-905 cu transverter pentru 10 GHz cu PA de 8 W.PA-uri si antenne.QRV EME in 23 cm.
    Mult succes in continuare si realizarii pe masura.
    Astept cu interes si alte articole.
    73 cu stima, BELA YO5TP.

  • Postat de Florentin - YO9CHO (yo9cho) la 2025-01-18 07:28:08 (ora Romaniei)
  • Superb Viorel! Felicitari pentru munca depusa.
    73! YO9CHO

  • Postat de Vasile - YO9FEH (yo9feh) la 2025-02-16 14:17:35 (ora Romaniei)
  • Este un domeniu care se poate aborda numai daca esti determinat,ai finante,nu ai nevasta care sa stie cat cheltui pe acest hoby si nu in ultimul rand sa nu fi ingradit unde locuiesti sa nu poti monta antenele dorite.Eu am o trista experienta recenta...eram in Florida si nu aveam unde experimenta un GP 3,5...50 MHz.Fata mea mi-a interzis sa fac ceva experimente in cadrul locuintei,deoarece sunt cerberi care nu permit nici la intrarea in locuinta unde este un mic antreu...sa ai ceva montat acolo care deranjeaza administratia.Amenzile sunt mari si merg pana la expulzarea din locatie.Cine nu crede ce vorbesc...este invitat sa constate pe propria piele.HI !O zi buna tuturor.
    Vasile YO9FEH si ex KJ4SGA.

  • Postat de Dan - YO3GH (yo3gh) la 2025-02-16 16:31:05 (ora Romaniei)
  • Felicitari Viorel … 73!

    Scrieti un mic comentariu la acest articol!  

    Opinia dumneavoastra va aparea dupa postare sub articolul "Considerații practice în abordarea benzilor radio SHF "
    Comentariul trebuie sa se refere la continutul articolului. Mesajele anonime, cele scrise sub falsa identitate, precum si cele care contin (fara a se limita la) atac la persoana, injurii, jigniri, expresii obscene vor fi sterse iar dupa caz se va ridica dreptul de a posta comentarii.
    Comentariu *
     
    Trebuie sa va autentificati pentru a putea adauga un comentariu.


    Opiniile exprimate în articole pe acest site aparţin autorilor şi nu reflectă neapărat punctul de vedere al redacţiei.

    Copyright © Radioamator.ro. Toate drepturile rezervate. All rights reserved
    Articole | Concursuri | Mica Publicitate | Forum YO | Pagini YO | Call Book | Diverse | Regulamentul portalului | Contact