Articole > Echipamente si constructii radio Litere mici Litere medii Litere mari     Comentati acest articol    Tipariti

Receptor cu reactie pentru 14 MHz

Andrei Bahnareanu YO8TOT

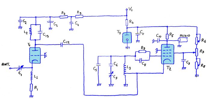
Acest articol descrie un receptor cu 5 tuburi pentru banda de 20m. Construirea lui mi-a umplut multe nopti si m-am gandit sa impartasesc aceasta experienta placuta.

Descrierea schemei:

Amplificatorul RF este realizat cu o trioda 6S9D. Grila este legata la masa. In felul acesta se obtine o izolare buna intre antena si detector iar amplificatorul este stabil. Am incercat mai multe tipuri de tuburi. Trioda 12SF5 (de audio) realiza o amplificare subunitara, 6C5 amplifica cam de 2 ori iar tubul folosit in schema (6S9D) amplifica de 7-8 ori. Deci in sfarsit un motiv sa folosesc aceste tuburi cu aspect ciudat. Circuitul rezonant din anod este acordat in mijlocul benzii. La capete amplificarea scade cam la 70%. Bobina este realizata pe un tor T50-6. Condensatorul C13 este in realitate obtinut din mai multi condensatori cu mica legati in paralel. Bobina L1 din catod poate sa lipseasca. In acest caz amplificarea va scadea putin. Reglarea amplificarii se face cu C1. Antena este verticala, monobanda pentru 20M.

Detectorul cu reactie foloseste un tub 6J4. Bobina L3 este facuta pe un tor T68-7. Materialul 7 are un coeficient de temperatura mai buna decat materialul 6. Sarma are diametrul de 1.2mm si nu este izolata. In felul acesta e mai usor de lipit priza in diferite pozitii. Un diametru mare al sarmei creste Q si stabilitatea mecanica. Potentiometrul R6 si R8 se regleaza o singura data pentru a scadea variatia de tensiune obtinuta cu R7. In felul acesta se obtine un reglaj fin al reactiei. Detectorul este alimentat la 150V de la un stabilizator SG1P. Condensatorii C5 si C6 sunt combinatii serie/paralel de diverse valori pentru a obtine acoperirea dorita. Toti sunt cu mica. Am folosit un generator de semnal pentru a determina frecventa de oscilatie a detectorului. Pozitia prizei este la o spira de capatul rece.

Preamplificatorul audio foloseste un tub 6J8. Acest tub este special conceput pentru amplificarea semnalelor de joasa frecventa cu amplitudine mica. Una din caracteristicile sale este ecranarea buna intre filament si catod. De exemplu 6J4 nu este recomandat in aplicatii audio unde filamentul este alimentat in c.c. In rest schema este clasica. C17 limiteaza amplificarea frecventelor inalte. La un receptor cu reactie acestea se gasesc din belsug.

Amplificatorul audio este realizat cu un tub 6P9. Conform catalogului transformatorul trebuie ales pentru a obtine o rezistenta de sarcina de 10k. Eu am folosit un transformator pentru ECL82. Oricum transformatorul nu este critic deloc. Initial am folosit un tor de 60VA cu infasurarea de 220 pe post de primar si pe care am adaugat 4 spire pentru secundar. Nu am sesizat nici o diferenta. Cred ca singura restrictie este sa aiba sectiunea suficienta ca sa nu se satureze din cauza c.c. Tensiunea anodica este de 230V.

Rezultate:

Am postat pe youtube un film cu receptorul in timpul unui concurs din 09.10.2014. Adresa este: http://youtu.be/tDirYU1Jp0M

Dupa cum se poate vedea receptorul este destul de sensibil. Se aud o multime de statii, unele simultan din pacate. De fapt lipsa selectivitatii pare a fi neajunsul major al receptorului. Acest lucru era de asteptat tinand cont de frecventa relativ mare la care functioneaza.

A doua problema este necesitatea reglarii reactiei in functie de taria semnalului receptionat si/sau frecventa. Dar acest lucru cred ca se poate imbunatati. Sensibilitatea nu este o problema, si este limitata doar de un brum care scade din fericire cand detectorul intra in oscilatie. Am cautat fara succes sursa acestui zgomot in preamplificatorul audio, condensatori de filtrare, fire prea lungi, am alimentat filamentele in cc si am luat in considerare chiar ecranarea montajului. In final am concluzionat ca zgomotul vine din detector. Mai precis din grila 1. Un condensator de 10uF adaugat intre G1 si masa elimina complet zgomotul. Impreuna cu orice oscilatie. Totusi reducand la minim lungimea conexiunii dintre G1 si R9/C8 am obtinut o scadere sensibila a brumului.

Construirea receptorului a fost foarte interesanta iar rezultatele conform asteptarilor. Toate etajele se pot construi si testa separat. In viitor am sa il modific pentru banda de 3.5MHz unde ma astept sa se amelioreze selectivitatea.

Lista componente:


C1:50pF    C2:10nF    C3:10uF    C4:10nF    C5:312pF    C6:54pF
C7:3-18pF    C8:82pF    C9:150nF    C10:120pF    C11:150nF    C12:8.2pF
C13:600pF    C14:10nF    C15:1nF    C16:47uF    C17:10nF    C18:10uF
C19:100uF    C20:150nF    C21:100uF    C22:100uF    C23:4.7nF

R1:400    R2:3k3    R3:1k    R4:13k    R5:100k    R6:220k
R7:10k    R8:220k    R9:4M    R10:390k    R11:1k    R12:57k
R13:330k    R14:100    R15:10k

D1: zenner 100V
D2: zenner 150V

L1: 30 spire pe tor de ferita F4 (diametru 18mm)
L2: 7 spire pe tor T50-6
L3: 8 spire pe tor T68-7

Bibliografie:

Radioreceptoare de unde scurte, Ioan Baciu
http://oldradiobuilder.com/FTR.html

Andrei Bahnareanu YO8TOT

Articol aparut la 27-10-2014

13677

Inapoi la inceputul articolului

Comentarii (22)  

  • Postat de Vasile - YO9FEH la 2014-10-28 09:04:16 (ora Romaniei)
  • Ma bucur ca mai sunt radioamatori constructori plini de entuziasm !Din pacate eu la 70 de ani nu mai am chef de asa ceva...poate si din cauza faptului ca m-am dotat cu TRCV-uri performante !
    Multumiri autorului ca ne-a impartasit din experienta proprie !Poate ia legatura pe mail cu mine...am o propunere interesanta !
    73 !

  • Postat de Florentin - YO9CHO (yo9cho) la 2014-10-28 09:08:34 (ora Romaniei)
  • FELICITARI Andrei pentru pasiunea ta! Mi-ai adus aminte de inceputurile mele cu tuburi.Succes si finalizeaza-le intr-un montaj de sine statator.
    Superb. Eu superreactia am folosit-o la 435MHz (cu tuburi) si 1296MHz cu tranzistori(ceva mai tarziu).
    Blogul unui prieten din copilarie:

    http://gabistamate.blogspot.co.nz/2011/04/435-mcs.html

    http://gabistamate.blogspot.co.nz/2010/05/1296-mcs.htm

    73!

  • Postat de Gheorghe Oproescu - Tavi - YO4BKM (yo4bkm) la 2014-10-28 10:45:12 (ora Romaniei)
  • Felicitări Andrei pentru realizare, dar mai ales pentru pasiunea cu care te apleci asupra construcţiilor care au fundamentat radioamatorismul - şi nu numai - adaptându-l la orice buzunar. Nu credeam că mai există şi radio-arheologi. Prin anii 1966-1968 mă jucam şi eu cu un receptor aproape identic, cu trei tuburi 3V4 (încă se mai găsesc!), unul era detector cu reacţie exact după schema ta, celelalte erau amplificatoare de JF. Erau tuburi cu încălzire directă (de la un element de baterie plată de lanternă) iar tensiunea anodică era de numai 9V (două baterii plate de lanternă). Mergea excelent, atît în CW, SSB dar şi AM (la limita acroşajului), cu o simplă antenă întinsă pe rama ferestrei la camera de cămin unde locuiam ca student. Schemele cu reacţie se codifică astfel: numărul de etaje amplificatoare de RF, litera V care indică detectorul cu reacţie, apoi numărul de etaje amplicicatoare de JF. Schema ta este 1V2, eu construisem 0V2. Mai târziu făceam trafic cu 1V2 cu tuburi obişnuite, sovietice, de genul 6N3P (scrise cu litere latine) sau europene ECC85 pentru RF şi detector, reacţie dozată din CV cu mică (erau special concepute pentru reacţie), ECL84 pentru JF, alimentate corespunzător. Şi nu sunt singurele scheme simple dar eficace. Dacă întrerupi reacţia cu o frecvenţă ultrasonoră schema este cu superreacţie, folosită la UUS, cum spunea YO9CHO. Dacă acelaşi tub (sau tranzistor) amplifică atât RF cât şi JF (prin întoarcerea semnalului detectat), ai schema "reflex", cu variante ca "superflex" etc. În 1975 eram în DL la studii şi i-am pus gazdei la punct o vechitură de receptor 0V2 aruncat prin pod, de pe vremea lui Hitler, numit Volksempfaenger (receptor popular), extrem de simplu (şi pe buzunarul oricui), alimentat la 220 V c.a., tuburi cu încălzire directă şi circuit potenţiometric tip punte în filament pentru anularea brumului, difuzor cu bobină în loc de magnet, bobina servea şi ca şoc pentru filtrarea după redresare, reacţia era inductivă şi se regla apropiind sau depărtând bobinele de la o pârghie externă (servea şi ca reglaj de volum), recepţiona numai banda de UM, suficient pentru propaganda regimului. Iţi doresc multe împliniri pe acest tărâm, perfecţionat şi dezvoltat mai ales de radioamatori. 73!

  • Postat de Liviu - YO2LEO la 2014-10-28 17:08:49 (ora Romaniei)
  • FELICITARI ANDREI. MA BUCUR SA VAD CA ABORDEZI UN RECEPTOR PE LAMPI. SA AUZIM NUMAI DE BINE! 73!

  • Postat de Cezar - YO3FHM la 2014-10-28 17:32:16 (ora Romaniei)
  • Salut Andrei,

    M-am bucurat mult sa-ti vad receptorul, semn ca mai exista oameni pasionati! Am privit si ascultat cu atentie clipul postat de tine si as vrea sa te rog sa-mi dai voie sa-ti fac cateva propuneri care ar putea sa-ti imbunatateasca realizarea:

    - asambleaza tot receptorul pe un sasiu metalic (aluminiul se prelucreaza usor!) si cauta sa ecranezi etajele intre ele, mai ales cel detector cu reactie. In acest sens, te poti inspira din proiectul ZL2JJ TRF receiver:

    http://www.w7ekb.com/glowbugs/rx/Regens/ZL2JJ/zl2jj_trf.htm

    - ai grija ca detectia semnalelor puternice (fata de media benzii) pot sa-ti altereze punctul static de functionare si sa produca instabilitatea pe termen scurt a tubului detector, de unde si "galgaiala" care se aude pe SSB; o alta sursa de instabilitate pe termen scurt e data de stabilizarea tensiunii pentru grila ecran. Iti vei da seama dupa ce te vei uita la specificatiile tubului stabilovolt.

    - personal, am construit doua stabilizatoare cu tranzistori, atat pentru tensiunea anodica cat si pentru grila ecran, verificand functionarea in sarcina cu AVO digital. S-a imbunatatit foarte mult stabilitatea generala.

    - recunosc faptul ca am incercat sa alimentez filamentele in c.c., motiv pentru care am si proiectat un stabilizator cu soft-start, dar ca nu am constatat diferente fata de alimentarea in c.a., asadar am renuntat la o complicatie in plus.

    - etajul de intrare poate fi optimizat, dar e mai mult de discutat. Intrarea pe catod se poate face cu adaptare (transmatch), iar acordul in anod poate fi variabil. De asemenea, poti schimba topologia folosind o pentoda de zgomot mic, urmand ca reglajul amplificarii sa-l faci din tensiunea de ecran.

    - elementele circuitul de grila al tubului detector, pot fi compensate termic, in vederea imbunatatirii stabilitatii pe termen lung. Eu am muncit ceva, dar a meritat; o solutie este sa folosesti bobine interschimbabile, avand condensatoarele aferente montate deja pe ansamblul in sine. Nu vei scapa totusi de timpul necesar intrarii intr-un regim termic normal, la fiecare schimbare de banda!

    Ar fi loc si de alte imbunatatiri (filtre audio, filtre de banda, etc.) dar pe masura ce te vei gandi, cred ca vei ajunge la concluzia ca nu merita. De fapt, asta e si ratiunea pentru care superheterodina a inlocuit toate celelalte arhitecturi de pana atunci.


    Succes in tot ce faci si tine-o tot asa !

    73 de Cezar, YO3FHM

  • Postat de Kuchta Petru - YO8CDQ la 2014-10-28 18:11:57 (ora Romaniei)
  • Andrei, ai uitat sa treci R3=3W. In rest,pentru experiment, este bun. La trecerea pe "curat", apar multe probleme, de care trebuie sa tii cont. 73' Petrica

  • Postat de Francisc VISKY - YO2MHF la 2014-10-28 20:50:53 (ora Romaniei)
  • Felicitari pentru abordare si constructie. Am observat o eroare de desenare, cred, Semnalul de la amplificatorul de RF nu se cupleaza la catodul tubului urmator ci la partea superioara al bobinei de acord...
    Succes la experimentari!

  • Postat de Andrei - YO8TOT la 2014-10-28 23:52:13 (ora Romaniei)
  • Tocmai am scris un comentariu lung iar cand am apasat pe "trimite" site-ul s-a blocat. Acum sa vad cat imi mai aduc aminte din mesaj :)

    In primul rand multumesc pentru felicitari.

    @Florentin
    Foarte interesanta prima schema. E simpla, exact pe gustul meu. Din pacate al doilea link nu functioneaza.

    @Cezar
    Acea "galgaiala" dispare daca cresc nivelul reactiei si scad amplificarea. La inceput nu mi-am dat seama si cam tot filmul a fost facut cu un nivel al reactiei insuficient. Acum receptorul functioneaza mai bine :) Stabilitatea frecventei e suficienta ca sa nu se observe o schimare a tonului in cateva minute. Nu cred ca merita complicatia suplimentara de a inlocui trioda cu o pentoda pentru ca receptorul pare a fi destul de sensibil.

    @Francisc
    Nu este o eroare. In felul acesta scade influenta antenei asupra oscilatorului. Cum spuneam mai sus amplificarea este suficienta ca sa nu trebuiasca ca semnalul de la ARF sa fie conectat mai aproape de capatul cald. De fapt e destul de intalnita aceasta configuratie. Singura situatie cand am mutat priza mai sus a fost cand am inlocui 6J4 cu un 6J8 (intra mai greu in oscilatie)

  • Postat de Cezar - YO3FHM la 2014-10-29 00:33:09 (ora Romaniei)
  • @Andrei: "De fapt e destul de intalnita aceasta configuratie."
    Daca ai niste exemple la indemana, fii te rog amabil sa postezi 2-3 link-uri, as fi curios sa le vad.

    " Nu este o eroare. In felul acesta scade influenta antenei asupra oscilatorului"

    Hmm. Scade, dar asta e de fapt treaba etajului cu grila la masa. Daca vei separa galvanic cele doua etaje, printr-un abord clasic inductiv (te poti inspira si de aici: http://www.qsl.net/k5bcq/REGEN2/regen3.html), s-ar putea sa ai o supriza placuta, mai ales in ceea ce priveste zgomotele suplimentare (brum, etc.).

    73! de Cezar

  • Postat de Florentin - YO9CHO (yo9cho) la 2014-10-29 10:56:52 (ora Romaniei)
  • Da Andrei, al doilea link nu vrea sa afiseze corect.Nu stiu de ce. Gasesti aici: http://gabistamate.blogspot.co.nz/search/label/Radiofonie le include pe toate.
    Succes!

  • Postat de Florentin - YO9CHO (yo9cho) la 2014-10-29 11:05:37 (ora Romaniei)
  • Scheme pe alese. Folositi Google, cautare pentru imagini iar cuvintele cheie: "super regenerative receivers"

    Aveti de unde alege. :-)

  • Postat de Ioan Mircea Radutiu - YO3AOE la 2014-11-01 10:56:53 (ora Romaniei)
  • Draga Andrei,felicitari! pentru realizare,este o mare bucurie sa aflu ca cineva se mai preocupa de montajele cu tuburi electronice.Pentru eliminarea acelui zgomot-brumul-cauta sa imbunatatesti filtrajul tensiunii anodice,incercind chiar un alimentator stabilizat,iar filamentele este foarte bine sa le alimentezi tot cu tensiune continua stabilizata si foarte bine filtrata,vei observa imediat diferenta!.Selectivitatea se poata radical imbunatati folosind pentru/la acord un capacitor variabil dublu-la nevoie fiecare sectiune de stator inseriata cu cite un capacitor fix de valoare convenabila aleasa prin tatonare-cu care sa poti face acordul simultan al celor doua circuite,atit cel de intrare cit si cel al detectorului cu reactie.Alinierea lor va fi ceva mai delicata,dar se poate face mai usor cu cite un capacitor semi-variabil-trimer de valori egale pus in paralel pe/cu fiecare sectiune de stator ale capacitorului variabil de acord comun.In acest scop ar fi de dorit ca si inductoarele de acord sa fie facute pe carcase cilindrice cu miezuri reglabile din ferita sau ferocart,al caror reglaje vor ajuta si ele la alinierea frecventei de acord a circuitelor.Mult succes! in continuare si tine-ne la curent cu mersul lucrarii-hi!.Cu stima,Nelu

  • Postat de Costel Popescu... - KG6NK la 2014-11-03 05:05:19 (ora Romaniei)
  • Amintiri, amintiri, amintiri...
    Acum vreo 45 de ani superreactia era RX de baza.. Supereactie in 144 mhz... etalon/marker in 146 MHz : "cocoasa" triajul de vagoane din gara de nord pe care il ascultam la Buftea unde era QTH ul meu(yo9alm)
    Stiam ca de la acea frq in jos incepea banda de radioamatori....73

  • Postat de Andrei - YO8TOT la 2014-11-04 00:27:04 (ora Romaniei)
  • Am incercat si eu odata un receptor cu superreactie pentru FM. Aceasta este schema: http://www.somerset.net/arm/reprints/fm_tuner_2.jpg Am folosit in loc de 6C4 un 6N3P sau un 6J4 legat ca trioda. Cu o antena de 1m in camera prindea cam toate posturile din Iasi. In schimb trebuia o amplificare foarte mare pentru AF. Am adaugat cateva operationale, cu tuburi nu am reusit sa amplific un nivel atat de mic fara un brum consistent.

  • Postat de Laurentiu - YO8SHI la 2014-11-08 10:39:33 (ora Romaniei)
  • Foarte interesant receptorul ,personal l-as aborda, insa problema este disponibilitatea tuburilor, care sunt mai exotice

  • Postat de Laurentiu - YO8SHI la 2014-11-08 10:39:54 (ora Romaniei)
  • Foarte interesant receptorul ,personal l-as aborda, insa problema este disponibilitatea tuburilor, care sunt mai exotice

  • Postat de Andrei - YO8TOT la 2014-11-08 16:27:49 (ora Romaniei)
  • Pai 6S9D e singura lampa mai exotica. Eu le-am cumparat de pe Ebay, chiar din YO. Dar se poate inlocui cu 6N3P, ECC85 si multe altele modificand doar R1.

  • Postat de Florentin - YO9CHO (yo9cho) la 2014-11-10 06:16:47 (ora Romaniei)
  • Chiar ma intrebam de ce ai folosit 6S9D, care este un amplificator utilizat pana la 1GHz... :-)
    Raman la aceeasi banuiala: Arata "haios".
    Chiar ma intreb, daca nu prezinta ceva auto-oscilatii la frecvente peste 100MHz, pe care nu le vezi in exploatare.
    Pentru US , orice alta lampa, asa cum spui, poate fi folosita.Constructori sa fie!

  • Postat de Andrei - YO8TOT la 2014-11-10 10:33:55 (ora Romaniei)
  • Intradevar criteriul de alegere a fost aspectul tubului :) La inceput tubul oscila, mi-am dat seama pentru ca varia curentul anodic daca apropiam mana de bobina.Se vedea si pe osciloscop. Am adaugat o rezistenta de 100ohmi in anod si oscilatiile s-au oprit. In final problema s-a rezolvat si fara rezistenta schimband putin pozitia componentelor.

  • Postat de Victor - YO3IMW la 2014-12-03 04:17:24 (ora Romaniei)

  • Pentru Cezar YO3FHM si restul iubitorilor de DIY : recomand urmatoarea schema de receptor cu reactie in toate benzile de unde scurte , este o varianta extrem de stabila ![url=http://postimg.org/image/8miyd62r1/][img]http://s30.postimg.org/8miyd62r1/All_HF_band_RX_Reactie.jpg[/img][/url]

  • Postat de Victor - YO3IMW la 2014-12-03 04:32:08 (ora Romaniei)
  • Se pare ca nu se pot atasa link-uri gen postimage cu schema RX-ului .
    Pacat ...

  • Postat de Florentin - YO9CHO (yo9cho) la 2014-12-04 22:10:24 (ora Romaniei)
  • Link-ul functional YO3IMW:

    http://postimg.org/image/8miyd62r1/

    73!

    Scrieti un mic comentariu la acest articol!  

    Opinia dumneavoastra va aparea dupa postare sub articolul "Receptor cu reactie pentru 14 MHz"
    Comentariul trebuie sa se refere la continutul articolului. Mesajele anonime, cele scrise sub falsa identitate, precum si cele care contin (fara a se limita la) atac la persoana, injurii, jigniri, expresii obscene vor fi sterse iar dupa caz se va ridica dreptul de a posta comentarii.
    Comentariu *
     
    Trebuie sa va autentificati pentru a putea adauga un comentariu.


    Opiniile exprimate în articole pe acest site aparţin autorilor şi nu reflectă neapărat punctul de vedere al redacţiei.

    Copyright © Radioamator.ro. Toate drepturile rezervate. All rights reserved
    Articole | Concursuri | Mica Publicitate | Forum YO | Pagini YO | Call Book | Diverse | Regulamentul portalului | Contact