La multi ani YO
Articole > Echipamente si constructii radio Litere mici Litere medii Litere mari     Comentati acest articol    Tipariti

IF-SDR pentru FT-857D

Gaspar Delfavero-Cristian YO2LGX

Urmatorul material prezinta un proiect personal realizat in urma unei idei dezvoltate de Scott McClements-WU2X (http://www.wu2x.com/sdr.html). Scopul este acela de a utiliza un receptor SDR care sa inlocuiasca partea de medie frecventa din calea de receptie dintr-un transceiver, beneficiind astfel de toate facilitatile pe care le poate oferi tehnologia SDR (panadapter, analizor de spectru, filtre configurabile, receptie simultana a doua frecvente diferite din aceiasi banda, DSP performant etc.). Nu voi intra in detalii privind tehnologia SDR (informatii se gasesc pe web destule), voi incerca doar sa punctez aspectele legate de principiul de functionare al sistemului per ansamblu, precum si de implementarea acestuia.

In primul rand, inainte de toate trebuie ca transceiverul utilizat sa suporte si sa aiba realizata o conexiune CAT cu calculatorul (indiferent de suport RS-232 sau USB). Acest lucru este necesar realizarii controlului transceiverului de aplicatia utilizata si invers. Din nou subiectul este arhicunoscut si nu intru in detalii privind realizarea conexiunii CAT.

In schema bloc de mai jos sunt evidentiate conexiunile dintre transceiver si calculator. Soft-ul PowerSDR-IF Stage este o versiune originala de PowerSDR, modificata de WU2X pentru a lucra pe frecventa intermediara (detali suplimentare se pot gasi pe pagina web indicata mai sus). HamRadioDeluxe este folosit doar pentru a controla transceiverul cu ajutorul aplicatiei PowerSDR-IF Stage (banda, frecventa, modul de lucru). Cele doua aplicatii comunica, bidirectional, intre ele la nivel software printr-o conexiune DDE, astfel incat daca se modifica din aplicatie frecventa, modul de lucru sau banda acest lucru este interpretat de transcieiver "in timp real". Reciproca este de asemenea valabila.


Schema bloc

De mentionat faptul ca pentru anumite modele de transceivere, care se regasesc in lista aplictiei PowerSDR-IF Stage (ex: Elecraft K3, TS940, etc.) nu este necesara instalarea aplicatiei HRD, intrucat aceste transceivere sunt recunoscute de PowerSDR-IF Stage si vor comunica direct cu aceasta.

Pregatirea transceiver-ului FT-857

Exragerea semnalului de frecventa intrmediara (RX IF-out) din transceiver-ul FT-857 se poate realiza conform schemei de mai jos. Recomandat ar fi ca aceasta sa se faca din punctul notat cu "A" in schema (eventual printr-un buffer cu FET- cu impedanta mare pe intrare), dar este cam incomod accesul in aceasta zona pe PCB. Eu am obtinut rezultate foarte bune extagand semnalul de IF direct (fara buffer) de pe pinul 4 al unui slot liber pentru filtre optionale prin intermediul unui conector. In acest caz pinii 1,7 si 8 se pun la masa, iar pinul 3 se lasa liber. Pe meniul transceiverului corespunzator pozitiei filtrului unde se face conectarea va aparea eticheta generica "FIL 1" sau "FIL 2", care se va selecta atunci cand se face receptia prin SDR (deasupra tastelor B sau C, pe pozita A fiind filtrul ceramic standard CFIL). La emisie nu este afectat nimic, totul fiind la fel ca inainte, adica in meniul 86 "TX FILTER" se va pastra optiunea folosita inainte.


Extragerea semnalului de 455KHz din FT-857

Partea de software

Am utilizat cu succes doua versiuni :
- PowerSDR-IF Stage v0.92 (recomandata pentru sisteme care au CPU mai lent)
- PowerSDR-IF Stage v1.19.3.5 (pentru pretentii mai ridicate)

Soft-urile se pot descarca de la link-ul http://www.wu2x.com/sdr.html

La instalarea aplicatiei (in cazul in care nu aveti instalat deja) o sa mai trebuiasca sa instalati si NetFramework 3.5.

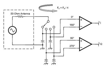
Partea de hardware (receptorul SDR) - adica device-ul care sa transforme semnalul de IF( de 455KHz in cazul lui FT857 sau 897) in semnale I&Q care sa poata fi prelucrate de placa de sunet a calculatorului. Scott McClements-WU2X a folosit o versiune de Softrock SDR kit, care din pacate este mai greu accesibila in YO, fapt pentru care am adoptat o varianta mai accesibila (home made - ZetaSDR) relativ usor de construit. Principiul de functionare poate fi observat in schema de mai jos:


Schema bloc a SDR-ului

Oscilatorul are frecventa de lucru de 4 ori mai mare decat frecventa utila (frecventa de intrare), urmand ca prin divizarea frecventei cu 74HC74 sa se obtina semnalul in cuadratura ce va fi aplicat "mixerului" (comutatorului) 74HC4052. In continuare semnalele obtinute sunt filtrate cu ajutorul capacitatilor de 22nF si aplicate amplificatoarelor operationale dintr-o capsula LM358N sau LM2904N, la iesirea carora se obtin semnalele "I" (in faza) si "Q" (defazat cu 90 de grade) ce urmeaza sa fie prelucrate de placa de sunet a calculatorului (intrarea trebuie sa fie obligatoriu stereo si se face pe Line IN nu pe cea de Microfon!).

La o frecventa intermediara de 455KHz, cum este cazul lui FT-857, pentru frecventa oscilatorului s-a ales valoarea de 1.8432 MHz (din considerentul ca exista oscilatoare cu cuart monolitice pe aceasta fecventa standard). Drept urmare, rezulta ca frecventa de lucru va fi 1843.2KHz / 4 = 460.800KHz si reprezinta frecventa centrala a SDR-ului la care se adauga si se scade cate ½ din frecventa de esantionare a placii de sunet (care poate fi 48, 96 sau 192 de KHz). Cum 455KHz este frecventa centrala a filtrului din FI, rezulta ca frecventele de purtatoare vor fi 453.5KHz pentru USB respectiv 456.5KHz pentru LSB, adica la o diferenta de -7300Hz si respectiv -4300Hz fata de frecventa centrala (de acest lucru se va tine cont cand se configureaza aplicatia PowerSDR-IF Stage!)


Pozita frecventelor de purtatoare fata de frecventa centrala a SDR-ului


Schema SDR-ului


PCB-ul vazut dinspre partea plantata (dimensiune 50 x 52 mm)


Fotografie cu montajul (in faza experimentala)

Print screen cu consola pentru PowerSDR-IF stage versiunea 1.19.3.5 (cu optiunea Multi Rx activata, care permite ascultarea simultana a doua QSO-uri de pe frecvente diferite):

Vizualizare in varianta "Collapse":

Analiza de spectru a unui semnal SSB:

Print screen-uri cu principalele setari ale soft-ului:


Print screen-uri pentru PowerSDR-IF stage versiunea 0.92:




Concluzii:

La receptie sistemul se comporta excelent, iar zgomotul este extrem de redus (acest lucru depinde si de performantele placii de sunet). Operatorul are la dispozitie (teoretic) o infinitate de filtre de banda, precum si o serie de instrumente pentru analiza si prelucrarea semnalului receptionat. Un mare plus este si acela al posibilitatii receptiei a doua semnale simultan de pe frecvente diferite (unul in casca stanga, altul in cea dreapta), lucru extrem de util cand se lucreaza SPLIT la pile-up. "Cireasa de pe tort" este panadapter-ul, cu toate ca nu se poate vizualiza banda in intregime ci doar 20 de KHz la un moment dat, adica aprox +/- 10KHz fata de frecventa pe care este acordat transceiver-ul (limitarea este data de largimea de doar 12KHz - practic 20KHz- a filtrului de roofing de 68,33MHz din prima frecventa intermediara). Solutia prezentata mai sus reprezinta o varianta "low cost" la transceiverele moderne care sunt capabile sa faca aceste lucruri, insa pe bani foarte multi si totodata aduce pe tapet o tehnologie despre care multi radioamatori o credeau inabordabila. Desigur, varianta expusa se poate extinde si la alte tipuri de transceivere care au CAT si la care se poate extrage o iesire de frecventa intermediara.

Bibliografie:

http://www.wu2x.com/sdr.html
http://www.qrz.lt/ly1gp/SDR/
Manual service FT-857D
A Software-Defined Radio for the Masses – articol aparut in publicatia americana QEX din Iul/Aug 2002

Gaspar Delfavero-Cristian YO2LGX

Articol aparut la 28-1-2012

24155

Inapoi la inceputul articolului

Comentarii (37)  

  • Postat de Liviu - YO4FNG la 2012-01-28 22:53:35 (ora Romaniei)
  • Excelent, extraordinar, super articolul. Demn de urmat, trebuie doar aplicat la o scara mai larga. Incet, incet ne apropiem de adevar si de performanta. Si adevarul este in era digitala, fie ca vrem, fie ca nu. Am fost profund uimit cand in Anglia in benzile de SHF, balizele emit doar in moduri digitale. Incercand sa receptionez in banda de 3 cm o baliza si vazandu-ma nedumerit, mi s-a zis ca tehnologia merge in sus si nu in jos. Rans pe rand, balizele au fost modificate sa transmita numai semnale in mod digital (WSJT). Dupa ce s-a renuntat la CW oficial, pasul urmator, cat de curand sa va renunta si la microfon. Si sincer, abia astept. Felicitari inca o data si succes in continuare.

  • Postat de Alexandrescu Ioan - YO3BY la 2012-01-29 10:21:52 (ora Romaniei)
  • Excelent articol pentru un pas inainte in abordarea practica a prelucrarii digitale a semnalelor radio.
    Articolul raspunde pe deplin unei dorinte mai vechi ale mele de a aborda acest domeniu si care cred ca ma va scuti de multe eforturi de documentare.
    As fi incantat daca Cristian ar putea sa-mi sugereze o sursa ptr. cristalul de cuart.
    Felicitari pentru realizare si sper sa comunicam curand on air utilizand sistemul propus.

  • Postat de Delfi - YO2LGX la 2012-01-29 14:03:03 (ora Romaniei)
  • Multumesc pt aprecieri! Intradevar combinatia TRX+SDR ofera o alta perspectiva asupra operarii transceiverului.
    O fotografie cu setup-ul descris in articol se poate vedea la adresa:
    http://www.flickr.com/photos/yo2lgx/6749984945/in/photostream/lightbox/

  • Postat de Marius Alexandru - YO4HGX la 2012-01-29 14:12:53 (ora Romaniei)
  • Personal nu sunt adeptul variantei IF-SDR pentru simplul motiv ca se pierde marele avantaj al receptorului de tip SDR si anume posibilitatea "ascultarii" (vizionarii) in timp real a unei cat mai mari portiuni de banda (functie de performantele placii audio), filtrul "roofing" impreuna cu circuitele de acord RF limitand drastic aceasta capabilitate. Recomand mai degraba un receptor independent SDR alimentat cu semnal imediat dupa releul T/R al transceiverului analog sau, si mai bine, prin intermediul unui spliter activ extern (cu relee de bypass). Ar mai fi si varianta culegerii semnalului IF insa imediat dupa prima mixare, inainte de filtrul roofing, insa datorita faptului ca prima mixare in general se face la frecvente destul de ridicate presupune un SDR mai "elaborat"... Oricum, felicitari pentru articol, varianta prezentata reprezinta, cel putin pentru inceput, o solutie simpla si ieftina de prim contact cu "fenomenul" SDR.

  • Postat de Liviu - YO4FNG la 2012-01-29 15:33:59 (ora Romaniei)
  • Intr-adevar se accepta un compromis. Se pierde cate ceva din posibilitatile SDR-ului, dar se castiga pe cealalta parte la receptie. Si castigul unei receptii de calitate, poate fi considerat un lucru primordial in traficul DX, dat fiind faptul ca, personal, cred ca FT857/897 sunt niste troace low cost, cu meniuri greoaie, bune doar la vorbit peste strada. Imbunatatirea asta ma surprinde in mod placut si sper ca nu te vei opri aici si vor urma si altele. Inca o data felicitari. 73!

  • Postat de Delfi - YO2LGX la 2012-01-29 15:52:28 (ora Romaniei)
  • Pentru Marius YO4HGX:
    EU SUNT ADEPTUL IF-SDR! :-)))
    1. nu se pierde "marele avantaj" al SDR-ului (poti vizuzliza si 192KHz daca bypass-ezi filtrul de roofing, dar nu recomand ==nu stiu ce relevanta are pentru mine vizualizarea/ascultarea unui semnal la 3560KHz daca eu lucrez pe 3710KHz ?! ...dar ma ajuta sa pot vizualiza/asculta un semnal la 3715KHz , daca lucrez SPLIT sau daca vreau sa vad semnalele care imi perturbeaza canalul de comunicatie!).
    2.chiar cu un receptor SDR conectat cum ai sugerat dupa reeul de antena nu poti vedea mai mult de 192KHz (atata poae o placa de sunet performanta si scumpa). Dar sa nu uitam ce costuri implica un receptor SDR care este capabil sa acopere un spectru de la 1 la 470 MHz (in varianta de mai sus asta nu este o problema).
    3. Montarea dupa primul mixer nu presupuneun SDR mai elaborat este nevoie doar de o conversie (de ex. pt FT857 de la 68,33MHz la 455KHz) care deja exista in calea de Rx a transceiverului, eu doar am folosit-o!
    4. IF-SDR iti ofera toate facilitatile unui SDR fara sa fie nevoie sa iti cumperi unul, si aici poti schimba transceiverul doar schimband soft-ul.
    Multumesc pt postare Marius, si te asteptam cu o varianta imbunatatita (care sper sa nu coste cat un FlexRadio 5000 hi!)
    Eu nu am inventat apa calda, doar o folosesc si daca nu trebuie sa platesc scump acest lucru cu atat mai bine pentru mine! 73!

  • Postat de Delfi - YO2LGX la 2012-01-29 20:08:30 (ora Romaniei)
  • ERATA! in text apare: "In acest caz pinii 1,7 si 8 se pun la masa, iar pinul 3 se lasa liber" se inlocuieste cu:"In acest caz pinii 1,7 si 6 se pun la masa, iar pinul 3 se lasa liber"...TNX lui YO9FEJ! ==greseala de dactilografiere== :-(

  • Postat de Marius Alexandru - YO4HGX la 2012-01-29 23:43:21 (ora Romaniei)
  • Salut Delfi! Vreau sa repet si subliniez totodata ca apreciez sincer materialul, mai ales ca stiu pe propria-mi piele ce valoare are... cat de mult m-am chinuit sa gasesc informatiile necesare cand am inceput experimentarile in domeniul SDR. Tot ce cuprinde articolul tau este aur curat! Repet, strict personal, la SDR-uri apreciez capacitatea de a viziona o intreaga banda, sau mai precis 192KHz cu o placa audio performanta (lasandu-le la o parte pe cele profesionale, de tip "wide band"). Este extraordinar ca dintr'o privire sa poti evalua starea unei benzi, conditiile de propagare si activitate. Tot personal (inca) nu consider un SDR, cel putin nu din categoria low-cost, superior performantelor unui receptor analog decent. Am testat destul de mult, foarte atent si in conditii variate receptia unui PM-SDR (receptor kit SDR pe care il consider compromisul "ideal" dintre pret/calitate http://www.rfsystem.it/shop/) si receptorul vechiului meu TS-690SAT si nu am gasit SDR-ul superior in nici un fel. In plus, la lucrul in CW/QRQ cu operatori cu experienta, "time-delay-ul" procesarii digitale este chiar deranjant. Culegerea semnalului din IF2 atenueaza mult largimea de banda, pe de o parte datorita filtrului roofing iar pe de alta datorita trafurilor acordate si circuitelor de adaptare a impedantei din lantul RF. Culegerea semnalului din 1IF sau chiar inaintea primei mixari ar prezenta avantajul utilizarii "front-end"-ului si respectiv a filtrelor de banda (larga) ale receptorului analog. Eu cel putin asta intentionez sa experimentez in viitorul apropiat. Ca fapt divers, desi si eu am avut cam aceeasi parere despre "troacele" de genul FT857/897, am ramas totusi foarte placut surprins de performantele receptorului FT-100D pe care l-am cumparat pentru portabil si pe care il folosesc impreuna cu PM-SDR. Pot spune cu fermitate ca doar in foarte rare ocazii SDR-ul se simte cu adevarat superior si in nici un caz nu face diferenta intre a putea efectua un QSO sau nu. Aici tot antena joaca rolul suprem. Eu unul m-am racorit, am gustat din plin "aventura" SDR insa am revenit la prima "iubire", scanarea manuala a benzilor pe receptor analog... SDR-ul, impreuna cu tot restul de "delicatese" de genul WebCluster-urilor atenuand din placerea HAM-Radio-ului. Chestie de gust pana la urma...

  • Postat de Dan - YO3GGX la 2012-01-30 13:04:43 (ora Romaniei)
  • Buna Delfi. In primul rand te felicit pentru articol! Partea cu modul de interconectare cu transceiverul este deosebit de utila si te-as incuraja sa extinzi acest articol cu modurile de conectare si pentru alte tipuri de transceivere.
    Receptorul SDR este foarte apropiat ca si schema de cel de la Softrock Lite, care exista si in versiuni ce pot fi folosite in IF pentru o multitudine de transceivere si frecvente intermediare. In acest sens, ma intreb daca nu ar putea fi imbunatatit prin adaugarea unor noi componente:
    - un filtru trece banda pe intrare, calculat pentru frecventa/banda dorita;
    - un filtru pe alimentare daca aceasta se va face in continuare din mufa USB. Din experienta cu noul model de Softrock 40_R, lipsa acestui filtru introduce un zgomot suparator cu latimea de cateva sute de Hz in zona centrala a waterfall-ului.

    73 Dan YO3GGX

  • Postat de Delfi - YO2LGX la 2012-01-30 14:09:30 (ora Romaniei)
  • Salut Marius! Multumesc pentru sincerele aprecieri!...serios :-) Ce nu inteleg eu este de ce trebuie neaprat ca un lucru sa fie complex si scump pentru ca sa isi faca bine treaba?...Eu sunt de principiul “Keep it simple!”… Din postarea ta citez: 1. ”Tot personal (inca) nu consider un SDR, cel putin nu din categoria low-cost, superior performantelor unui receptor analog decent”…Daca privesti per ansamblu o sa vezi ca receptorul este un ansamblu de receptor analogic (modest/decent) plus un SDR (care lucreaza strict pe FI). Mergand mai departe, eu am putut compara performantele la receptie a ansamblului prezentat cu un receptor mai mult decat decent (IC756PRO) si sincer prefer prima varianta. Receptorul SDR nu reprezinta doar partea de hardware (montajul low cost, prezentat in articol), ci si partea de soft (PowerSDR), care face parte integranta din receptorul SDR (soft ce ruleaza pe un PC cu performante de procesare net superioare DSP-urilor din transceiverele moderne cu IF-DSP). 2. Cu voia ta, te citez din nou: “Am testat destul de mult, foarte atent si in conditii variate receptia unui PM-SDR (receptor kit SDR pe care il consider compromisul "ideal" dintre pret/calitatehttp://www.rfsystem.it/shop/) si receptorul vechiului meu TS-690SAT si nu am gasit SDR-ul superior in nici un fel. In plus, la lucrul in CW/QRQ cu operatori cu experienta, "time-delay-ul" procesarii digitale este chiar deranjant”. Si eu m-am jucat cu receptorul SDR prezentat aici, in varianta “stand alone” , adica direct in 40m, cu antena pusa la intrare (fara filter de banda) si cu oscilatorul pe 28,322MHz…soft-ul folosit a fost HDSDR si functioneaza OK. Apropos de time delay-ul care apare din cauza procesarii digitale, acesta este acelasi si daca folosesti FlexRadio 1000, 3000 sau 5000…asta inseamna ca nu trebuie sa folosim SDR-uri si sa lucram doar cu scule analogice? 3.Te citez din nou: “Culegerea semnalului din 1IF sau chiar inaintea primei mixari ar prezenta avantajul utilizarii "front-end"-ului si respectiv a filtrelor de banda (larga) ale receptorului analog. Eu cel putin asta intentionez sa experimentez in viitorul apropiat.” …Pot sa intreb atunci de ce mai folosesti transceiverul analogic si nu folosesti direct un SDR FlexRadio 5000? Doar pentru filtrele de intrare de pe calea de RX?....Ce latime de banda (Factor de calitate) crezi ca au circuitele acordate din prima FI la o frecventa in jur de 70MHz? Cred ca oricum mai mare decat rata de esantionare a placii de sunet! 4. De ce IF-SDR? Pt. ca iti ofera un DSP performant, selectivitate variabila-practic iti configurezi ce fel de filtru vrei foarte usor fara sa tragic de SHIFT si Twin PBT (care nu o obti nici cu o caciula de filtre analogice care ar costa de 2 ori mai mult decat transceiverul). Intr-adevar, poate ca nu auzi mai multe decat cu transceiverul analogic, dar cu siguranta faci receptia mult mai confortabila si mai ai si aspectul “vizual” al semnalului receptionat, san u uitam ca nu multe rig-uri permit receptia simultana pe doua frecvente (fie chiar doar la +/- 10KHz distanta de frecv de acord) …In fine, poate ca totul este o chestiune de gusturi, obisnuinta s.a.m.d. , dar nu poate nimeni sa ma convinga ca varianta IF-DSP (asa simpla si low cost) nu este viabila si ca nu merita sa fie implementata si ca nu iti aduce nimic in plus… Marius, astept cu nerabdare un articol pe aceasta tema din partea ta, in care sa prezinti o metoda mai elaborata, care sa aduca ceva in plus fata de cele prezenate in articol. Cred cu tarie ca orice experienta adusa la lumina face mai mult decat un comentariu postat la rubrica “pareri” si reprezinta un pas inainte. Toate cele bune si succes!

  • Postat de Vasile - YO9FEH la 2012-01-30 14:34:13 (ora Romaniei)
  • Sunt curios cati hami apreciaza IF-SDR-ul,mai ales in actualele conditii financiare !Multi nu au un banal TRCV,o antena...modesta,nemaivorbind de PC sau laptop !Articolul este interesant !
    Succes !Vasile !

  • Postat de Delfi - YO2LGX la 2012-01-30 18:40:58 (ora Romaniei)
  • Buna Dan (YO3GGX), multumesc pt info! O sa incerc sa alimentez montajul din baterie sa vad daca se intapla ceva vis a vis de zgomot in zona frecventei centrale a SDR-ului. Cu privire la filtrul de intrare, cred ca este o necesitate daca se foloseste montajul ca receptor "stand alone", dar in varianta FI nu cred ca e necesar, semnalul trecand deja prin filtrul de roofing (si alte 3 circuite acordate din lantul primei FI)...nu vezi ca solutia expusa primeste deja critici ca nu se vad 192KHz! :-))))))))))). Pentru conectare la alte TRX-uri (ma refer la extragerea semnalului de FI)...cred ca asta ar presupune o tratare particulara pentru fiecare model in parte,... dar prin extrapolare la solutia prezentata, acest lucru se poate realiza destul de usor... 73!

  • Postat de Marius Alexandru - YO4HGX la 2012-01-30 23:24:49 (ora Romaniei)
  • Nu erau "critici" ci doar precizari, in special pentru cei ce se aventureaza pentru prima data pe "drumul" SDR, sa stie la ce sa se astepte. Eu folosesc SDR'ul pe post de "panadapter", adica mai pe romaneste am adaugat transceiverului analog un analizor de spectrum cu care "vad" toata banda si care, la o adica, poate functiona pe post de al doilea receptor. O sa ma abtin de la alte consideratii generale pe tema SDR Vs analog deoarece vad ca subiectul este destul de sensibil. Succes...uri!

  • Postat de Dan - YO3GGX la 2012-01-31 09:13:37 (ora Romaniei)
  • Buna Delfi (YO2LGX).
    Nu stiu in ce masura un panadapter cu banda de 192KHz ar fi util in conditiile in care el poate fi folosit numai pentru receptie.
    Legat de conectarea la alte transceivere, eu am un FT-450 la care cea de-a doua frecventa intermediara este de 24KHz. Conectarea este simpla in acest caz, dar daca vrei sa mergi la prima FI atunci lucrurile se complica.
    73 Dan YO3GGX

  • Postat de Florentin - YO9CHO (yo9cho) la 2012-01-31 09:16:55 (ora Romaniei)
  • Salut Delfi si felicitari pentru experiment.Eu vad aplicatia ca o inbunatatire aprin existenta DSP-ului.Referitor la ce spunea Dan, felicitari pentru websdr care functioneaza impecabil, sunt de acord cu tine Delfi.Nu este nevoie de o filtrare in front.Exista o singura hiba , legata de faptul ca semnalul care ajunge la SDR este afectat de conversiile anterioare.Nu stiu cat de bun este sintetizorul din transceiver dar, prin zgomotul lui de faza, poate sa ii ofere un semnal util degradat SDR-ului care are un zgomot destul de redus datorita prezentei unui oscilator local pe cuart care este mult mai curat ca un sintetizor.
    Cred ca asta ar fi singurul dezavantaj.In rest, vad numai avantaje.
    Succes in experimentari si tine-ne la curent!
    73!

  • Postat de Florentin - YO9CHO (yo9cho) la 2012-01-31 09:21:52 (ora Romaniei)
  • P.S.Referitor la banda utila vizibila, ea nu poate fi egala decat cu aceea oferita de FI.
    Repet, avantajele unui detector SDR sunt multiple si devin din ce in ce mai "apetisante", cu cat softul este mai bine dezvoltat, placa de sunet cu zgomot de planseu cat mai bun si evident cu EMC cat mai redus de la calculator.

  • Postat de Delfi - YO2LGX la 2012-01-31 12:12:19 (ora Romaniei)
  • Buna Dan (YO3GGX). Cred ca te refereai la YO4HGX :-)...cand ai spus: “Nu stiu in ce masura un panadapter cu banda de 192KHz ar fi util in conditiile in care el poate fi folosit numai pentru receptie”… subscriu la ce ai zis. Si eu cred ca daca nu exista o sincronizare a panadapterului cu transceiverul pe CAT, panadapterul este absolut neutilizabil. Legat de conectarea la FT-450, din cate stiu eu acolo ai deja disponibile semnalele I si Q pe care trebuie doar sa le duci la Line IN in PC… 73 Delfi - YO2LGX

  • Postat de Marius Alexandru - YO4HGX la 2012-01-31 20:39:36 (ora Romaniei)
  • Se pare ca nu am reusit sa ma fac pe deplin inteles... revin cu cateva precizari. IF-SDR este o varianta ieftina si relativ simpla de a integra un al doilea receptor (SDR) intr'un tranceiver clasic, cu banda de vizionare relativ ingusta. Pentru cei ce doresc mai mult, respectiv un al doilea receptor cu adevarat SDR care sa beneficieze de toate facilitatile acestui sistem, inclusiv panadadapter (waterfall, spectrum, panafall... etc.) si respectiv banda de vizionare mai larga, functie de capabilitatile placii audio, exista SI varianta (un pic mai scumpa) pe care am dat'o ca exemplu, receptorul PM-SDR (kit), care accepta semnal direct din antena, are filtre de banda proprii (selectabile automat sau manual) si lucreaza pe toata plaja 0.1-55MHz. Acesta poate fi folosit cu mai multe softuri dedicate, printre care si PowerSDR-IF stage v1.19.3.5 si sincronizat cu transceiverul clasic cu ajutorul unei interfete CAT, direct din softul PowerSDR-IF stage sau prin HRD. Cei interesati de aceasta varianta ma pot contacta direct pentru detaliile de setare, care pot fi dealtfel descarcate si de pe grupul de discutii yahoo pmsdr. Exemplul meu nu doreste sa umbreasca in nici un fel valoarea articolului de fata ci doar sa il completeze.

  • Postat de Delfi - YO2LGX la 2012-01-31 21:04:53 (ora Romaniei)
  • Vreau sa fac unele precizari legate de scopul acestui articol, intrucat in urma unor mail-uri primite, dar si postari, vad ca unii cititori au interpretat gresit acest lucru: ***1.Modificarea isi propune imbunatatirea performantelor la receptie a transceiverului FT-857 (vezi titltul), precum si introducerea unor “unelte” care sa vina in ajutorul operatorului (facilitatea Multi RX, Analizor de spectru/ panadapter , waterfall, filtre configurabile si un DSP mai performant) data fiind situatia in care FT857 este cotat de unii utilizatori (sau nu) ca fiind deficitar in aceasta privinta (personal, cred ca este un TRX exceptional in clasa lui, bine gandit, cu multe facilitati si extrem de versatil la un pret accesibil , doar ca trebuie sa citesti manualul de operare si sa il intelegi bine, astfel incat sa-l poti utiliza la intreaga capacitate). Adaptarea sistemului (prin analogie) la alte transceivere cade in sarcina posesorilor acestora (a celor care doresc), folosind “reteta” prezentata aici. ***2 Sistemul prezentat este doar un “upgrade” si nu isi propune sa transforme FT-857 intr-un TRX-SDR, chiar daca…(orice asemanare este pur intamplatoare HI!). *** 3. Comparatia intre alte scule analogice (scumpe sau ieftine) precum si scule SDR (de firma sau nu cu sau fara panadapter wide band) si varianta prezentata aici, cred ca este un alt topic de discutie. Ar avea sens doar daca se compara varianta clasica a transceiveruli "X" cu varianta modificata a aceluiasi transceiver... *** 4. Varianta hardware low cost a IF-SDR-ului, a fost intentionat aleasa in configuratia prezentata aici, intrucat s-a dorit a fi reproductibila (sa contina componente accesibile) si sa fie usor de realizat. S-a avut in vedere si faptul ca frecventa de lucru in cazul de fata este relativ scazuta (455KHz). ***5.Daca cineva are o alta idee/solutie constructiva , cu o altfel de configuratie il invit sa o puna pe hartie, sa o realizeze practic si sa o faca publica (asa cum am facut-o eu) si sa nu se rezume doar la a face comentarii de genul “eu nu sunt adeptul”…sau “nu se vede toata banda…eu as lua semnalul direct de la intrarea in transceiver” etc. Solutia expusa aici are particularitatile ei, nu este inventia mea, este folosita pe scara destul de larga in lume...si a devenit deja clasica. Eu doar am expus-o, adaptand-o pentru cazul particular FT-857.*** 6. Decizia daca solutia este rea sau buna, viabila sau nu , daca abordati sau nu varianta propusa, va apartine! Eu nu am facut altceva decat sa o pun pe tapet. Personal, folosesc acest sistem de mai bine de o luna si nu m-as mai intoarce la varianta anterioara….Multumesc pentru interesul aratat si intelegere! 73 de YO2LGX

  • Postat de Delfi - YO2LGX la 2012-01-31 21:33:47 (ora Romaniei)
  • PS: Pt. Marius (YO4HGX)--varianta un pic mai scumpa cu PMSDR este muuult mai scumpa (>10x) EX:PMSDR=195 Euro pret de catalog iar varianta ieftina si simpla (o fi si mai proasta???) este de aprox 50 lei (adica sub 12 Euro)!!! Ne-ai facut curiosi! Vrem sa vedem si noi o versiune mai elaborata, mai performanta. Caci doar acesta e scopul unei dezbateri constructive ...nu? De ce nu faci un material pe aceasta tema pe care sa-l postezi aici? Cred ca e mai cinstit asa decat sa te contactam personal sau sa cautam pe Yahoo!? 73 de YO2LGX.

  • Postat de Delfi - YO2LGX la 2012-01-31 21:41:29 (ora Romaniei)
  • PPS: Nu iti fa probleme Marius, exemplul dat de tine (in cateva randuri) NU umbreste valoarea acestui articol! ;-) Asteptam o expunere mai detaliata! 73 de YO2LGX.

  • Postat de Costel - YO8SCT la 2012-01-31 23:12:55 (ora Romaniei)
  • Multumesc YO2LGX ! Testat si functional 100% pe FT857 conform articolului!73 de YO8SCT.

  • Postat de Cristi - YO8RZE la 2012-02-01 07:37:39 (ora Romaniei)
  • Felicitari pentru articol, Delfi! M-ai impulsionat si pe mine astfel sa realizez un IF-SDR pentru ICOM IC-706MKIIG. La acest transceiver IF-ul care se injecteaza in SDR este de 9.011,5 Mhz si este disponibil la unul din soclurile filtrelor optionale, din meniu selectandu-se filtrul respectiv. Intentionez sa construiesc un receptor SDR proiectat de YU1LM care foloseste pe post de mixer tayloe circuitul 74HC4066 (pe care il am prin sertar). Succes in continuare! 73`s all!

  • Postat de Cezar - YO8TLC la 2012-02-01 14:54:41 (ora Romaniei)
  • Felicitari! Articol scurt si la obiect! Am realizat si eu modificari la doua scannere radio. 1. Handy AOR AR1000: cules semnal de 10,7MHz dupa filtrul ceramic de 230kHz latime de banda, conversie in 455kHz (mixer NE612 si cristal 10,245Mhz). 2. Icom PCR1000: cules FI 450kHz (latime de banda 50kHz) si semnal FI 10,7MHz (latime 230kHz). In ambele situatii am utilizat SDR DR2A (design YU1LM) cu cristal 1,8432MHz. Cu o divizare in plus se poate folosi cristal 3,579MHz (frecventa centrala SDR 447,375kHz), mai potrivit pentru echipamente cu FI 450kHz. Nu am utilizat nici o inductanta (in mixer sau SDR). Interesul nostru a fost sa extindem benzile la WebSDR cu costuri minime si componente accesibile. PCR1000 se poate vedea la treaba in banda de 2m pe WebSDR-ul din Suceava: http://sdr.opt.ro:8901/. Detin si eu FT817 si 857 ambele niste echipamente mai mult decat decente. Succes si 73!

  • Postat de Delfi - YO2LGX la 2012-02-01 18:02:29 (ora Romaniei)
  • Felicitari Costel (YO8SCT)! ...parca e alt echipament acum...NU? ***********Salut Crisi (YO8RZE),succes la realizare...m-as bucura tare mult sa ma ti la curent si sa-mi comunici si mie rezultatele! Numai bine 73! ***********Felicitari pentru realizare (YO8TLC)Cezar! 73!

  • Postat de Emil - YO7LUO la 2012-02-01 18:35:04 (ora Romaniei)
  • Usor, usor trebuie sa accept faptul ca lumea merge inainte si trebuie sa ne tinem dupa ea. Eu am construit mai multe variante de sdr, dar cel mai mult mi-a placur trx-ul sdr de aici: http://cqham.ru/trx84_88.htm
    -se poate face desigur numai partea de receptie. Are avantajul ca oscilatorul este pe frecventa de lucru, nu trebuie sa fie de 4 ori mai mare!!!

    Emil

  • Postat de bujor - YO6ANC la 2012-02-10 13:26:55 (ora Romaniei)
  • Sa ne traiesti Delfi! La varsta mea de 66 spire mai aflu si eu noutati despre SDR-IF.Se poate utiliza sdr-ul numai la RX cu receptie analogica rotind numai vernierul si bine-inteles fara conexiune CAT ptr.comanda frecventei.73!Bujor.

  • Postat de bujor - YO6ANC la 2012-02-10 17:53:28 (ora Romaniei)
  • scuze !Mesajul anterior tebuie inteles ca o intrebare. Se poate utilza SDR-FI si cu un soft mai simplu doar pentru receptie ?Care ar fi acesta? 73!Bujor.

  • Postat de Bogdan D. - YO3IIU la 2012-02-11 14:26:11 (ora Romaniei)
  • Salut Delfi,

    articolul tau m-a adus cu gandul la o idee mai veche a mea: sa conectez un FT-857D la un SDR ce are si RX si TX. Concret, am un SDR performant USRP N210 pe care actual il folosesc ca sa implementez OFDM si alte tipuri de modulatie/demodulatie digitala. Dar daca tot il am as fi curios cum sa conectez acest SDR ce are 2 RX si 2 TX la FT-857D astfel ca FT sa fie un fel de front end pentru SDR atat la emisie cat si la receptie. Mentionez ca SDR-ul are maxim 100msps dar e facut sa-i atasezi diverse daughtercards ce permit folosirea lui la frecvente mai inalte (se foloseste un daughtercard pentru fiecare banda de ex. 1.8Ghz, 2.4Ghz dar exista si un card ce permite lucrul intre 50mhz si 2.2Ghz). SDR-ul poate prelucra la TX/RX o latime de banda de max 25Mhz dar puterea maxima de iesire e de 100mW asa ca ar fi frumos sa folosesc FT-857D ca amplificator de putere.
    Acum ca scriu, ma gandesc ca exista niste limitari in FT-857 legate de latimea de banda ce se poate emite/receptiona cu filtrele existente.
    Ce aplicatii interesante ar fi de facut cu combinatia de SDR de banda larga + FT-857D ?

    Multumesc,
    Bogdan - YO3IIU

  • Postat de Delfi - YO2LGX la 2012-02-11 23:50:23 (ora Romaniei)
  • Salut Bujor (YO6ANC)...sigur ca se poate conecta SDR-ul ca frecventa intermediara la un RX/TRX analogic fara CAT, dar atunci pierzi ceva din manevrabilitate in sensul ca frecventa SDR ar trebui sa ramana fixa si sa jonglezi doar din VFO-ul TRX-ului, altfel orice schimbare de frecv din SDR duce automat la decalarea frecv de RX fata de cea de TX (in cazul transceiverelor). Alte soft-uri pe care le poti folosi sunt HDSDR, SDRadio sau PowerSDR (fara IF Stage, care cere conecxiune la CAT) 73!

  • Postat de Delfi - YO2LGX la 2012-02-11 23:58:58 (ora Romaniei)
  • Salut Bogdan (YO3IIU) sa sti ca si eu m-am jucat cu partea de IF SDR in regim de transceiver folosind un TRX-SDR AVALA-01 adatat acestui scop, dar nu am gasit soft-ul corespunzator care sa permita si TX si setari de IF plus control CAT(ma refer la ceva asemanator cu PowerSDR IF Stage a lui WU2X dar care sa permita si TX-ul). Daca gasesti asa ceva te rog anunta-ma si pe mine!... 73! Delfi

  • Postat de bujor - YO6ANC la 2012-02-17 18:02:03 (ora Romaniei)
  • Sa traiesti Delfi! Am instalat PowerSDR-IF StageV1.19.3.5 care se potriveste cu PC-ul din dotare ,precum si Netframework3.5. dar imi cere sa instalez si HamRadioDelux daca il declar la Rig Conection si programul nu lucreaza afisind un mesaj de eroare cu sase cifre care mie nu imi spune nimic. Trebuie sa descarc si HamradioDelux si HDR si apoi activate si ele?73!bujor.

  • Postat de Delfi - YO2LGX la 2012-02-17 22:36:27 (ora Romaniei)
  • Draga Bujor (YO6ANC), daca ai citit materialul, chiar la inceput(in al doilea paragraf)se specifica clar ca inainte de toate trebuie sa ai instalat HamRadioDeluxe (adica HRD)si trebuie sa existe o conexiune CAT functionala cu TRX-ul!!! Altfel soft-ul PowerSDR-IF Stage nu functioneaza (apare acel mesaj care cere conexiunea CAT la TRX. Mesajul este normal atata timp cat nu ai o conexiune valida/functionala intre HRD si TRX). Daca TRX-ul nu "stie" CAT atunci incearca un alt soft pt SDR (vezi ce ti-am recomandat in mesajul anterior)...73! Delfi

  • Postat de Nicu YO5OUC - YO5OUC la 2012-07-15 13:40:36 (ora Romaniei)
  • In primul rind vreau sa va multumesc pentru comentariile si pentru articolul postat aici. Acestea m-au ajutat sa-mi construiesc si eu un Zeta-SDR modificat pentru lucrul la FI 455KHz cu un FT-857D. Impresiile sunt evident dincolo de asteptari privitor la eficienta filtrelor digitale dar si al filtrelor de zgomot. Personal sun deja un mare fan al tehnologiei SDR si a modurilor Digitale.
    Rezultatele mele sunt pe youtube:
    http://youtu.be/eSp8oC4n7t0
    Multe multumiri lui Delfi (YO2LGX)
    Nicu (YO5OUC)








  • Postat de Bujor - YO6ANC la 2012-10-08 16:51:46 (ora Romaniei)
  • SA traiesti Delfi! Am montat zeta sdr in trx-ul meu IC-745 in zona 455khz.Functioneaza F.OK.cu un buffer BF245.Fara el trx se supara putin.Am mai constatat si altele:-dinamica SDR este diminuata la cea a TRX-ului.-functie de pozitia clapelor de la CW la FM pe TRX se modifica banda de trecere pe panadaptor.-zgomotul de banda nu este mai bun de cel al TRX-ului.-Pozitia relativ optima la receptie este pe AM la TRX,care ma lasa sa receptionez in conditii de zgomot mai mare toate modurile de receptie.-Alimentarea SDR-ului pe USB-2 din PC este zgomotoasa si a trebuit alimentat separat dintr-un +5V exterior. Softul este relativ simplu tip HDSDR setat ptr. 455khz. Cam atit despre ce am realizat. Multumiri pentru indrumari si scuze ptr.biziala mea,virsta -vremea-vremurile! Daca ai timp spune-mi si mia daca ce am observat eu este corect sau nu. Cu multumiri pentru toate.73!si toate cele bune ptr.toata lumea.Bujor!

  • Postat de Bebe - YO2DHN la 2012-10-26 21:20:20 (ora Romaniei)
  • Buna Cristi , Felicitari ptr articol!. dupa ce l-am vazut cu ochi mei SDR tau functionind, cind am fost la tine , m-a impresionat si am admirat ideia. am reusit si eu sa pun SDR meu in functie .functioneaza super..mult am umblat dupa cuarturi ptr.citeva benzi de radioamatori..acum te copiez sa-l adaptez si eu la ICOM meu .
    toate cele bune si spor la ce faci 73! Bebe

  • Postat de Charles - PU2TBK la 2017-10-02 05:18:27 (ora Romaniei)
  • Boa noite, muito interessante esse artigo, tenho um FT-897 e gostaria muito de utilizar, gostaria de saber se o amigo teria interesse em vender a interface e se puder mostrar com mais detalhes onde e como retirar o sinal IF da forma mais fácil possivel. Muito obrigado.
    Charles

    Scrieti un mic comentariu la acest articol!  

    Opinia dumneavoastra va aparea dupa postare sub articolul "IF-SDR pentru FT-857D"
    Comentariul trebuie sa se refere la continutul articolului. Mesajele anonime, cele scrise sub falsa identitate, precum si cele care contin (fara a se limita la) atac la persoana, injurii, jigniri, expresii obscene vor fi sterse iar dupa caz se va ridica dreptul de a posta comentarii.
    Comentariu *
     
    Trebuie sa va autentificati pentru a putea adauga un comentariu.


    Opiniile exprimate în articole pe acest site aparţin autorilor şi nu reflectă neapărat punctul de vedere al redacţiei.

    Copyright © Radioamator.ro. Toate drepturile rezervate. All rights reserved
    Articole | Concursuri | Mica Publicitate | Forum YO | Pagini YO | Call Book | Diverse | Regulamentul portalului | Contact